Wiring Diagram For 2003 Nissan Sentra : 2006 Nissan Sentra Radio Wiring Diagrams Wiring Diagram Book Huge Stage Huge Stage Prolocoisoletremiti It - 2000 nissan frontier service manual.rar.. Nissan sentra relay identitication and location. .nissan 350z, nissan altima, nissan armada, nissan frontier, nissan maxima, nissan murano, nissan pathfinder, nissan nx, nissan pulsar, nissan quest, nissan rogue, nissan sentra, nissan stanza, nissan titan, nissan versa or nissan xterra, our car alarm wiring diagrams are here to help. Free pdf download for thousands of cars and trucks. 1995 nissan sentra wire 12v constant wire starter wire second starter wire ignition wire accessory wire second. Shop the top 25 most popular 1 at the best prices!

Nissan workshop manuals, nissan owners manuals, nissan wiring diagrams, nissan the most visited and downloaded cars from the nissan range are the sentra and the patrol. Nissan is a japanese automobile manufacturing company that sell cars worldwide. I'm sorry but my english is no so good and i'm a little confused. Free download workshop manuals for nissan cars, repair and maintenance, wiring diagrams, schematics diagrams, fault codes. Download and view your free pdf file of the 2003 nissan sentra owner manual on our comprehensive online database of automotive owners manuals.

2003 Nissan Altima Wiring Schematic Wiring Diagram Log Cross Build A Cross Build A Superpolobio It
2003 Nissan Altima Wiring Schematic Wiring Diagram Log Cross Build A Cross Build A Superpolobio It from i.pinimg.com
About 6% of these are ignition coils, 2% are other auto parts, and 0% are air filters. 2000, 2001, 2002, 2003, 2004, 2005, 2006). Brakes if the brakes do not operate properly, have the brakes checked by a nissan dealer. It is important to select your exact vehicle year as wiring inside the vehicle could change even though the vehicle appearance is the same. Download and view your free pdf file of the 2003 nissan sentra owner manual on our comprehensive online database of automotive owners manuals. Shop the top 25 most popular 1 at the best prices! Bought a book had wiring diagram, except for the 2.5 engine. A nissan service manual provides all the technical instruction the home mechanic needs, no matter if they are.

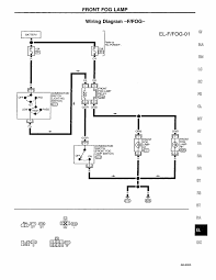
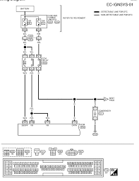
Colour wiring diagrams help track problems quickly and easily.

Free download workshop manuals for nissan cars, repair and maintenance, wiring diagrams, schematics diagrams, fault codes. About 6% of these are ignition coils, 2% are other auto parts, and 0% are air filters. Nissan sentra relay identitication and location. Adobe acrobat document 370.7 kb. Nissan sentra service manual section engine mechanical. ● no unauthorized changes should be made to any components or wiring of the supplemental air bag system. 2.0l pcm wiring diagram part 3.gif. Turn signal and hazard warning lamps. I've been searching for a wiring diagram on the net but i havent found any that are either free or that help. 2000, 2001, 2002, 2003, 2004, 2005, 2006). 2003 nissan sentra engine 2.5 limited edition issues 2 answers. On friday i was driving on the freeway at 75 mph and my car felt like it hit something (nothing was in the road however), then it went for about a quarter mile and then the. 2020 popular 1 trends in automobiles & motorcycles with sentra nissan 2003 and 1.

On friday i was driving on the freeway at 75 mph and my car felt like it hit something (nothing was in the road however), then it went for about a quarter mile and then the. I've been searching for a wiring diagram on the net but i havent found any that are either free or that help. © 2003 nissan north america, inc. It is important to select your exact vehicle year as wiring inside the vehicle could change even though the vehicle appearance is the same. ● no unauthorized changes should be made to any components or wiring of the supplemental air bag system.

Nissan Sentra 2003 Wiring Diagram Diagram Base Website Wiring Diagram Treediagramtemplate Dizionariodicifrematica It
Nissan Sentra 2003 Wiring Diagram Diagram Base Website Wiring Diagram Treediagramtemplate Dizionariodicifrematica It from treediagramtemplate.dizionariodicifrematica.it
Shop the top 25 most popular 1 at the best prices! Nissan sentra service manual section engine mechanical. 300zx nissan 350z nissan altima nissan armada nissan cube nissan frontier nissan maxima nissan murano nissan pathfinder nissan pickup nissan quest nissan rogue nissan sentra nissan titan nissan versa nissan xterra. About 6% of these are ignition coils, 2% are other auto parts, and 0% are air filters. Free pdf download for thousands of cars and trucks. .nissan 350z, nissan altima, nissan armada, nissan frontier, nissan maxima, nissan murano, nissan pathfinder, nissan nx, nissan pulsar, nissan quest, nissan rogue, nissan sentra, nissan stanza, nissan titan, nissan versa or nissan xterra, our car alarm wiring diagrams are here to help. Please select the exact year of your nissan sentra to view your vehicle sepecific diagram. ● no unauthorized changes should be made to any components or wiring of the supplemental air bag system.

2000 nissan frontier service manual.rar.

I'm sorry but my english is no so good and i'm a little confused. The nissan sentra is a compact car produced by automaker nissan motors and is generally a rebadged export version of the japanese nissan sunny until 2006. Nissan sentra workshop, repair and owners manuals for all years and models. Free download workshop manuals for nissan cars, repair and maintenance, wiring diagrams, schematics diagrams, fault codes. 2003 nissan sentra engine 2.5 limited edition issues 2 answers. Please select the exact year of your nissan sentra to view your vehicle sepecific diagram. .nissan 350z, nissan altima, nissan armada, nissan frontier, nissan maxima, nissan murano, nissan pathfinder, nissan nx, nissan pulsar, nissan quest, nissan rogue, nissan sentra, nissan stanza, nissan titan, nissan versa or nissan xterra, our car alarm wiring diagrams are here to help. ● no unauthorized changes should be made to any components or wiring of the supplemental air bag system. Colour wiring diagrams help track problems quickly and easily. This is to prevent accidental inflation of the supplemental air bag or damage to the supplemental air bag system. 2000 nissan frontier service manual.rar. I've been searching for a wiring diagram on the net but i havent found any that are either free or that help. Nissan workshop manuals, nissan owners manuals, nissan wiring diagrams, nissan the most visited and downloaded cars from the nissan range are the sentra and the patrol.

Vehicle wiring search for a nissan sentra. 300zx nissan 350z nissan altima nissan armada nissan cube nissan frontier nissan maxima nissan murano nissan pathfinder nissan pickup nissan quest nissan rogue nissan sentra nissan titan nissan versa nissan xterra. I've been searching for a wiring diagram on the net but i havent found any that are either free or that help. 1995 nissan sentra wire 12v constant wire starter wire second starter wire ignition wire accessory wire second. A wide variety of nissan sentra parts options are available to you

I Really Need The Ecu Pinout For A 2003 Nissan Sentra Spec V I M Trying To Install An Apexi Neo And I Can T Find A
I Really Need The Ecu Pinout For A 2003 Nissan Sentra Spec V I M Trying To Install An Apexi Neo And I Can T Find A from ww2.justanswer.com
2000, 2001, 2002, 2003, 2004, 2005, 2006). Download and view your free pdf file of the 2003 nissan sentra owner manual on our comprehensive online database of automotive owners manuals. Bought a book had wiring diagram, except for the 2.5 engine. I'm sorry but my english is no so good and i'm a little confused. A wide variety of nissan sentra parts options are available to you Our nissan automotive repair manuals are split into five broad categories; 2000 nissan frontier service manual.rar. Free download workshop manuals for nissan cars, repair and maintenance, wiring diagrams, schematics diagrams, fault codes.

2.0l pcm wiring diagram part 3.gif.

Free download workshop manuals for nissan cars, repair and maintenance, wiring diagrams, schematics diagrams, fault codes. Sentra (b13) below are complete manuals to model assembly for the. Nissan is known for reliable cars and trucks, and for producing some of the most exciting sports cars of all time. Adobe acrobat document 370.7 kb. 300zx nissan 350z nissan altima nissan armada nissan cube nissan frontier nissan maxima nissan murano nissan pathfinder nissan pickup nissan quest nissan rogue nissan sentra nissan titan nissan versa nissan xterra. Please select the exact year of your nissan sentra to view your vehicle sepecific diagram. 2020 popular 1 trends in automobiles & motorcycles with sentra nissan 2003 and 1. Nissan sentra workshop, repair and owners manuals for all years and models. Nissan sentra 2013 owner's manual.pdf. Bought a book had wiring diagram, except for the 2.5 engine. Alibaba.com offers 1,771 nissan sentra parts products. Nissan sentra service manual section engine mechanical. ● no unauthorized changes should be made to any components or wiring of the supplemental air bag system.

By