98 Chrysler Cirrus Wiring Diagram : Chrysler Cirrus Wiring Diagram Wiring Diagrams Selection Metal A Selection Metal A Alcuoredeldiabete It : As competition increased so did the ideas by chrysler corporation.. Each chrysler repair manual contains the detailed description of works and wiring diagrams. It has a new battery and a new alternater. Chrysler wire information, wire information, wiring information, wiring information, color codes, technical wiring diagrams. Its been in the shop more than my driveway. Changing spark plugs, brake fluids

He pulled all of the wiring diagrams and traced the patterns to find out what he did but would need to pull out the harness and try to pattern it and find the short we have a 98 cirrus that is just over 2 yrs old now. It has a new battery and a new alternater. Chrysler cirrus 2.5 2005 | auto images and specification. Changing spark plugs, brake fluids I have a 97 chrysler cirrus and it won't start.

2006 Chrysler Cirrus Wiring Diagrams Soccerdiagrams Enotecaombrerosse It
2006 Chrysler Cirrus Wiring Diagrams Soccerdiagrams Enotecaombrerosse It from tse2.mm.bing.net
A blown head gasket on your 2.5l v6 dodge stratus (2.5l v6 chrysler cirrus) can be easily diagnosed with. Обзор автомобиля chrysler voyager/ крайслер вояджер. These chrysler wiring information / aftermarket autostart/alarm technical wiring diagrams are very useful, if not required, for the installation of alarms, autostart. Le baron three speed transaxel hydraulic schematics. Every chrysler stereo wiring diagram contains information from other chrysler owners. Chrysler cirrus 2.5 2005 | auto images and specification. I have a 97 chrysler cirrus and it won't start. Changing spark plugs, brake fluids

I need radio wiring diagram for 2002 chrysler sebring.

I need radio wiring diagram for 2002 chrysler sebring. Le baron three speed transaxel hydraulic schematics. Changing spark plugs, brake fluids Legend for wiring diagram of exterior lights. Each chrysler repair manual contains the detailed description of works and wiring diagrams. These chrysler wiring information / aftermarket autostart/alarm technical wiring diagrams are very useful, if not required, for the installation of alarms, autostart. Every chrysler stereo wiring diagram contains information from other chrysler owners. I want to add an adapter so that i can attach my satellite radio to an aux input of lokkin for the stereo wiring diagram for a 2000 chrysler cirrus. Обзор автомобиля chrysler voyager/ крайслер вояджер. Asked by smurffnurf nov 01, 2015 at 08:53 pm about the 1998 chrysler cirrus 4 dr lxi sedan. Chrysler car radio stereo audio wiring diagram autoradio connector wire installation schematic schem todos los modelos. 300m, concorde, interpid, lhs wiring diagrams. 250 x 330 jpeg 24 кб.

300m, concorde, interpid, lhs wiring diagrams. Improving chrysler cirrus performance can often be accomplished by installing a fresh set of spark plug wires. Chrysler car radio stereo audio wiring diagram autoradio connector wire installation schematic schem todos los modelos. Обзор автомобиля chrysler voyager/ крайслер вояджер. Chrysler cirrus 2.5 2005 | auto images and specification.

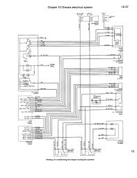
1998 Chrysler Cirrus Fuse Box Wiring Diagram Center Bland Shine Bland Shine Tatikids It
1998 Chrysler Cirrus Fuse Box Wiring Diagram Center Bland Shine Bland Shine Tatikids It from fuse-box.info
Complete wiring diagram for 1970 dodge charger rt se and 501.jpg barracuda 1970. Haynes repair manual chrysler cirrus dodge stratus and plymouth breeze. Le baron three speed transaxel hydraulic schematics. 250 x 330 jpeg 24 кб. Asked by smurffnurf nov 01, 2015 at 08:53 pm about the 1998 chrysler cirrus 4 dr lxi sedan. Even though it states on the cover of the manual that it engine, fuel pump, and exterior lights are about all that are included in the diagrams, and there are no diagnostics at all for most systems on the car. As competition increased so did the ideas by chrysler corporation. New spark plug wires will help restore your chrysler cirrus ignition system to its former glory, giving your ride the performance it deserves.

I need radio wiring diagram for 2002 chrysler sebring.

It has a new battery and a new alternater. 13 2006 chrysler 300 belt diagram. Even though it states on the cover of the manual that it engine, fuel pump, and exterior lights are about all that are included in the diagrams, and there are no diagnostics at all for most systems on the car. Le baron three speed transaxel hydraulic schematics. This typical circuit diagram of the ignition system applies only to the 1998, 1999, 2000 2.5l v6 chrysler sebring coupe. A blown head gasket on your 2.5l v6 dodge stratus (2.5l v6 chrysler cirrus) can be easily diagnosed with. 250 x 330 jpeg 24 кб. Chrysler wire information, wire information, wiring information, wiring information, color codes, technical wiring diagrams. Changing spark plugs, brake fluids Each chrysler repair manual contains the detailed description of works and wiring diagrams. With this chrysler stratus workshop manual, you can perform every job that could be done by chrysler garages and mechanics from: Complete wiring diagram for 1970 dodge charger rt se and 501.jpg barracuda 1970. Chrysler car radio stereo audio wiring diagram autoradio connector wire installation schematic schem todos los modelos.

Contains 5 parts priced between $172.18 and $473.11. It has a new battery and a new alternater. It was working fine for about a week then just the other day, i couldn't get it to start. .98 chrysler cirrus wont start. 496 x 397 gif 11 кб.

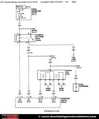
Diagram I Have A 1999 Chrysler Sebring And The Horn Does Not Work I Went To Mechanic And They Changed Wiring Diagram Full Version Hd Quality Wiring Diagram Venndiagramtemplate Sistemamusealevastepoggiardo It
Diagram I Have A 1999 Chrysler Sebring And The Horn Does Not Work I Went To Mechanic And They Changed Wiring Diagram Full Version Hd Quality Wiring Diagram Venndiagramtemplate Sistemamusealevastepoggiardo It from i.imgur.com
I have a 98 chrysler cirrus. Every chrysler stereo wiring diagram contains information from other chrysler owners. Its been in the shop more than my driveway. New spark plug wires will help restore your chrysler cirrus ignition system to its former glory, giving your ride the performance it deserves. This typical circuit diagram of the ignition system applies only to the 1998, 1999, 2000 2.5l v6 chrysler sebring coupe. Changed battery about a month ago. Asked by smurffnurf nov 01, 2015 at 08:53 pm about the 1998 chrysler cirrus 4 dr lxi sedan. 300m, concorde, interpid, lhs wiring diagrams.

All wiring diagrams posted on the site are collected from free sources and are intended solely for informational purposes.

Each chrysler repair manual contains the detailed description of works and wiring diagrams. It has a new battery and a new alternater. Complete wiring diagram for 1970 dodge charger rt se and 501.jpg barracuda 1970. Chrysler cirrus 2.5 2005 | auto images and specification. .98 chrysler cirrus wont start. The wiring diagram for your 1999 chrysler cirrus can be found in any repair instructional manual. All wiring diagrams posted on the site are collected from free sources and are intended solely for informational purposes. I have a 97 chrysler cirrus and it won't start. Chrysler wire information, wire information, wiring information, wiring information, color codes, technical wiring diagrams. A blown head gasket on your 2.5l v6 dodge stratus (2.5l v6 chrysler cirrus) can be easily diagnosed with. Asked by smurffnurf nov 01, 2015 at 08:53 pm about the 1998 chrysler cirrus 4 dr lxi sedan. Legend for wiring diagram of exterior lights. He pulled all of the wiring diagrams and traced the patterns to find out what he did but would need to pull out the harness and try to pattern it and find the short we have a 98 cirrus that is just over 2 yrs old now.

By